


| 型號 | P | F | L | 产物代码 | 螺帽品种 | 材质 | 精度品级 | 导程 | 轴径 | 丝杠范例 | 产物品种 |
|---|---|---|---|---|---|---|---|---|---|---|---|
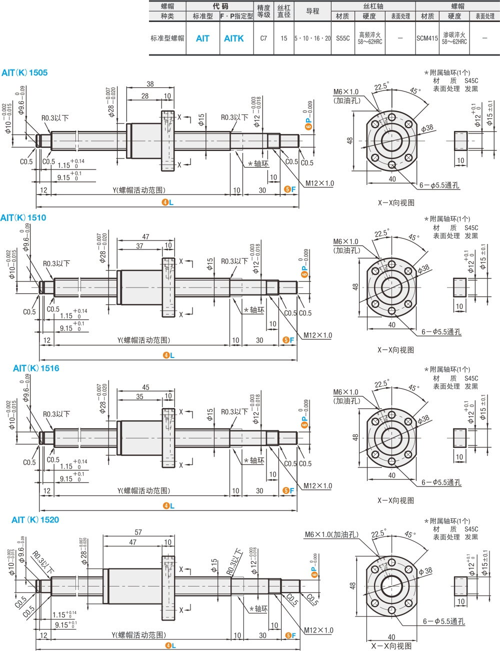
| P6 | F15 | 200 | AITK1516 | 规范型 | S55C | C7 | 16 | 15 | F-P指定型 | 压轧滚珠丝杠 | |
| P10 | F15 | 200 | AITK1516 | 规范型 | S55C | C7 | 16 | 15 | F-P指定型 | 压轧滚珠丝杠 | |
| P6 | F30 | 200 | AITK1516 | 规范型 | S55C | C7 | 16 | 15 | F-P指定型 | 压轧滚珠丝杠 | |
| P10 | F30 | 200 | AITK1516 | 规范型 | S55C | C7 | 16 | 15 | F-P指定型 | 压轧滚珠丝杠 | |
| P6 | F15 | 1200 | AITK1516 | 规范型 | S55C | C7 | 16 | 15 | F-P指定型 | 压轧滚珠丝杠 | |
| P10 | F15 | 1200 | AITK1516 | 规范型 | S55C | C7 | 16 | 15 | F-P指定型 | 压轧滚珠丝杠 | |
| P6 | F30 | 1200 | AITK1516 | 规范型 | S55C | C7 | 16 | 15 | F-P指定型 | 压轧滚珠丝杠 | |
| P10 | F30 | 1200 | AITK1516 | 规范型 | S55C | C7 | 16 | 15 | F-P指定型 | 压轧滚珠丝杠 | |
| P6 | F15 | 150 | AITK1505 | 规范型 | S55C | C7 | 5 | 15 | F-P指定型 | 压轧滚珠丝杠 | |
| P10 | F15 | 150 | AITK1505 | 规范型 | S55C | C7 | 5 | 15 | F-P指定型 | 压轧滚珠丝杠 |




[{"Id":"fe8b748b-74b5-467c-a74a-849caf08f283","Name":"默认分组"}]