


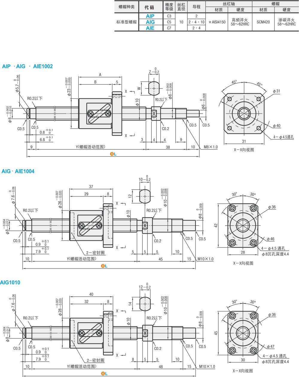
| 主要参数 | L | 产物代码 | 螺帽品种 | 材质 | 精度品级 | 导程 | 轴径 | 丝杠范例 | 产物品种 |
|---|---|---|---|---|---|---|---|---|---|
| 150 | AIG1010 | 规范型 | AISI4150 | C5 | 10 | 10 | 紧密型 | 紧密滚珠丝杠 | |
| 450 | AIG1010 | 规范型 | AISI4150 | C5 | 10 | 10 | 紧密型 | 紧密滚珠丝杠 | |
| 100 | AIE1002 | 规范型 | AISI4150 | C7 | 2 | 10 | 紧密型 | 紧密滚珠丝杠 | |
| 315 | AIE1002 | 规范型 | AISI4150 | C7 | 2 | 10 | 紧密型 | 紧密滚珠丝杠 | |
| 150 | AIG1004 | 规范型 | AISI4150 | C5 | 4 | 10 | 紧密型 | 紧密滚珠丝杠 | |
| 380 | AIG1004 | 规范型 | AISI4150 | C5 | 4 | 10 | 紧密型 | 紧密滚珠丝杠 | |
| 150 | AIE1004 | 规范型 | AISI4150 | C7 | 4 | 10 | 紧密型 | 紧密滚珠丝杠 | |
| 380 | AIE1004 | 规范型 | AISI4150 | C7 | 4 | 10 | 紧密型 | 紧密滚珠丝杠 | |
| 100 | AIP1002 | 规范型 | AISI4150 | C3 | 2 | 10 | 紧密型 | 紧密滚珠丝杠 | |
| 310 | AIP1002 | 规范型 | AISI4150 | C3 | 2 | 10 | 紧密型 | 紧密滚珠丝杠 |



